|
|
|
Rubriques
| Les documentations | |
| Les Notes d'applications | |
|
La rubrique logicielle |
|
| Les bases de données moteurs |
|
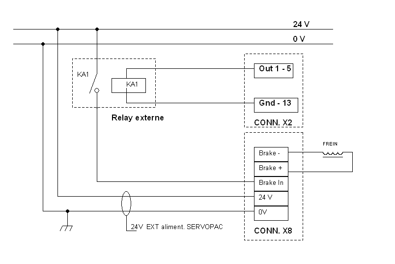
| Divers schémas de cablage | |
| Les Protocoles ( RS232, RS845, CANopen, Ethercat ) |
Documentation gamme ServoPac [ ouvrir le répertoire] version des documents
| Les documentations intègrent les versions TT230 et TT400 | |
| Documentation commerciale | Ouvrir |
| Manuel d'Installatation | Ouvrir |
| Manuel utilisateur | Ouvrir |
| Les Templates | Ouvrir |
| Safe Torque OFF | Ouvrir |
| Le GDPS - Power supply Unit | Ouvrir |
Notes d'applications [ouvrir le répertoire]
| TT230-Application Note : Interfacage de bus DC | Ouvrir |
Logiciel GEM Drive Studio [
ouvrir le répertoire ]
| Logiciel GEM Studio
version actuelle |
Installer |
| Mode d'emploi du logiciel de paramétrage des
variateurs TT230 (version actuelle) |
Ouvrir |
Liste des types de Moteurs au format XML [ouvrir le répertoire]
|
Comment installer une base de données moteurs au format XML (en cours) sinon voir ici dans Mise en service >> Créer son propre moteur |
doc TT |
Schémas de cablage [ouvrir le répertoire]
| Cables de communication |
|
| Schémas Electriques |
|
| Cables
Moteurs |
|
CANOpen [ ouvrir le répertoire]
|
Manuel d'utilisation du CANOpen pour le TT230 Une rubrique de la documentation " Manuel d'utilisation" est consacrée à ce sujet. |
Ouvrir |
| dernière version du fichier EDS : |
ouvrir |
ETHERCAT [ ouvrir le répertoire]
| Manuel Ethercat pour le TT
version
du document |
Ouvrir |
| fichier XML |
Ouvrir |
RS232 [ouvrir le répertoire]
RS485 [ouvrir le répertoire]
Copyright ©2010 - 2012 Transtechnik

